SB系列液壓安全(緊急)制動器,是一種使用在低速軸(卷筒軸)上的大功率制動裝置,可廣泛用于大中型起重機、港口裝卸機械起升以及臂架府仰機構低速軸的緊急安全制動。礦用卷揚機、提升機和大功率傾角式皮帶運輸機的工作制動和緊急安全制動,纜車和索纜起重機驅動機構的安全制動,鑄造起重機等特種起重機起升機構低速軸的安全(緊急)制動。
鉗盤式制動器技術要求符合JB/T10917-2008標準。
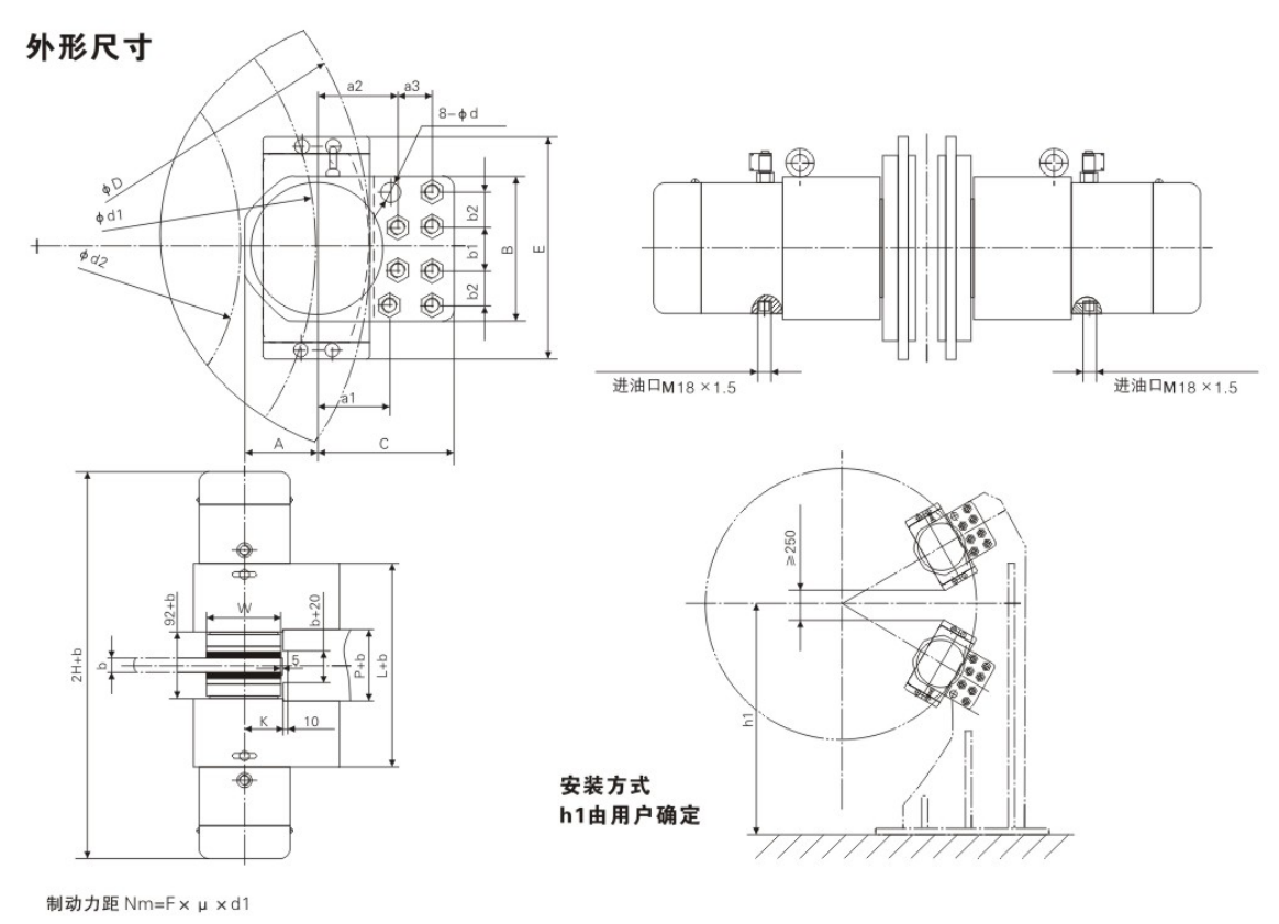
▲ 常閉式設計,安全可靠;特制碟簧施力制動,液壓驅動釋放(液壓站選型詳見液壓站樣本)。
▲ 動作靈敏,閉合(上閘)時間短。
▲ 可選配開閘限位、襯墊磨損、極限限位等開關,進行信號顯示或聯鎖保護。
▲ 高性能無石棉硬質摩擦襯墊,摩擦系數穩定,不損傷制動盤且對水介質和鹽霧(海水)不敏感。
▲ 合理的密封結構設計和進口密封件。效果好、壽命長。
▲ 安裝位置靈活,使用、調整、維護簡單。
◆ 環境溫度:-20°C?+ 50°C;
◆ 相對濕度:≤90%;
◆ 可選配液壓站(液壓站選型詳見液壓站樣本);
◆ 有特殊要求時在訂貨時協商確定。
● 產品型號:SB50、SB100、SB160、SB250、SB315、SB400、SB500
● 適用盤徑:?D≥?500mm/?D≥?600mm/?D≥?1200mm/?D≥?1800mm
● 制動力:36KN-360KN









